产品详情
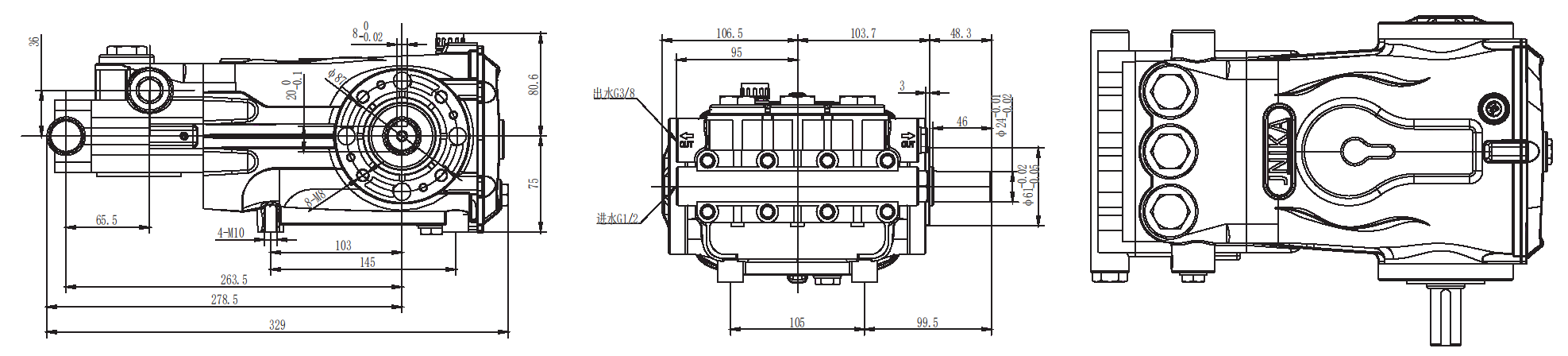
连接图
分解图
技术参数
|
型号 |
流量 |
压力 |
功率 |
转速 |
柱塞直径 |
曲轴行程 |
轴径 |
|
L/min |
bar |
kw |
rpm |
mm |
mm |
mm |
|
|
JNK-2250D |
22 |
500 |
22 |
1450 |
18 |
21 |
24(外轴) |



































