产品详情
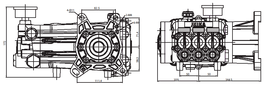
连接图
技术参数
|
型号/Model |
JNK-1825QF |
|
流量/Flow Volume(L/min) |
18 |
|
压力/Pressure(bar) |
250 |
|
马力/Horse Power (HP) |
13-17 |
|
转速/Rotary Speed(rpm) |
3400 |
|
柱塞直径/Piston Diameter (mm) |
18 |
|
曲轴行程/Crankshaft Travel(mm) |
7 |
|
轴径/Crankshaft Diameter(mm) |
25.4(内轴) |

































